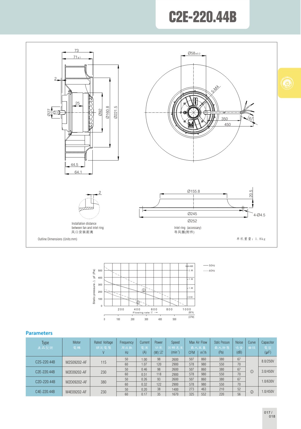
产品中心

  • C2E-220.44B

    核心提炼:


    高效节能: 采用先进的笼形电容式外转子电机,效能远超普通罩极电机,动力强劲更省电。

    坚不可摧: 玻璃纤维增强复合材料的V-0级阻燃叶轮,超高强度、耐高温、绝燃安全,杜绝火灾隐患。

    无畏环境: -40℃至80℃超宽温域工作能力,无惧地球任何角落的严寒与酷暑挑战。

    绝缘系统: 200MΩ以上超高绝缘电阻+F级绝缘系统,提供终极电气安全与可靠性,寿命更长。

    阻燃安全: V-0级是UL94标准中的最高阻燃等级之一。这意味着材料在接触明火后能在极短时间内

    (<10秒)自动熄灭,且无燃烧物滴落。

    智能自护: 内置自动热保护,电机具备“过热自愈”能力,保障设备连续运行不停机。

    IP44防护: 防尘(防1mm以上固体异物)和防溅水能力,确保风扇在多粉尘、有轻微液体飞溅的恶

    劣工业环境中内部核心电机不受影响。


    这款系列它特别适用于对安全性、可靠性、环境适应性有极端要求的场合,如:高端伺服驱动柜、通信

    基站、电力自动化设备、户外控制箱、以及任何需要顶级安全认证(如UL、CE)的工业设备。